秧田良品
會員中心
聯絡我們
搜尋
Submit
選單
最新消息
最新消息
媒體報導
純滴雞精
活動專區
商品系列
Gaea格雅雞 滴雞精|雞肉鬆
有機飲品|茶品
香草紅藜棒|雜糧乾貨
生鮮食品區
年度會員專區
花蓮小農專區
居家生活用品|香氛
【限時預購】產地直送有機芋頭
關於秧田
品牌故事
香草故事
小農故事
研發團隊
產學合作
檢驗報告
會員禮遇
客服中心
購物說明
常見問題
聯絡我們
銷售據點
2024-06-03
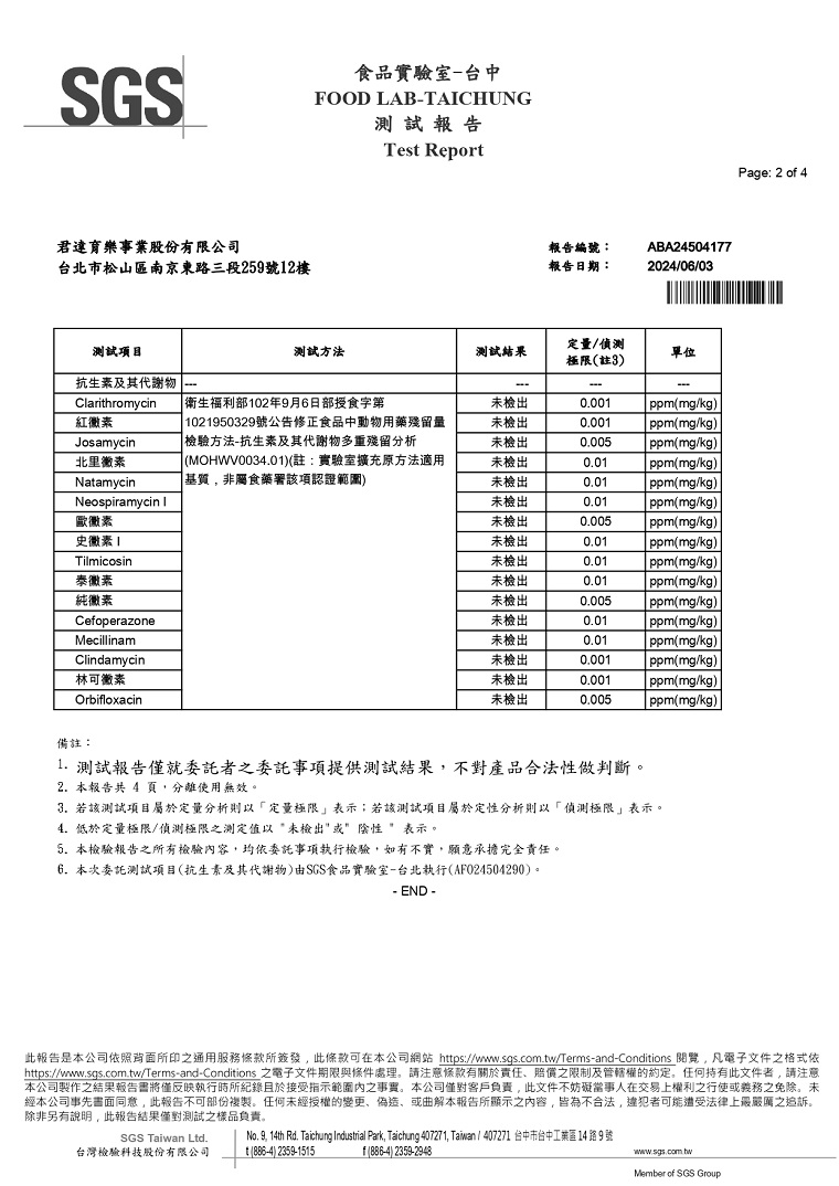
【檢驗合格】格雅雞肉(GAEA雞)_抗生素及其代謝
SHARE:
分享至Facebook
分享至Google+
分享至LINE
Back to list
LINE
TOP